Minggu, 18 Desember 2022
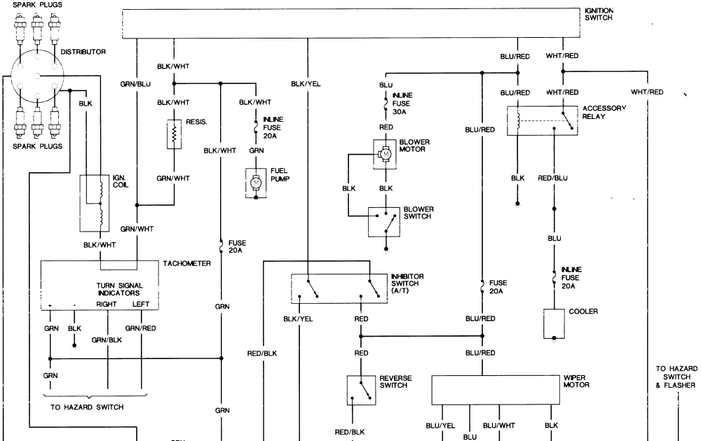
Honda Wave 125 Wiring Diagram, Honda Wave 110 Wiring Diagram Schematic Name And | Motorcycle Wiring Honda Wave 125 Wiring Diagram, Honda Wave 110 Wiring Diagram Schematic Name And | Motorcycle Wiring
Langganan:
Posting Komentar (Atom)





























0 komentar: